Всё о мобильной энергии, солнечных батарея, ветряках и другой электроники Обсуждение солнечных батарей, вертяков, генераторов и другой электроники
 
  Регистрация | Войти На главную Добавить статью Форум Поиск  RSS Наш твиттер Контакты 26 октября 2025, Воскресенье  
MobiPower.ru
 О сайте
 Новости
 солнце
 термоэлектричество
 механика
 аккумуляторы
 освещение
 электроника
 прочее (экзотика)
 новинки рынка
 Сделай сам
 Обзоры и тесты
 Библиотека
 Форум
 Ссылки
 Контакты

Новости на e-mail
Подписаться на e-mail рассылку новых статей сайта Mobipower.ru



Вампирчики...
...размножаются здесь:
Мобильный блок питания "Вампирчик-Цифра" v.7
Мобильный блок питания "Вампирчик-Цифра" v.7

3 200 руб.
Солнечная батарея Suaoki на полугибких элементах SunPower
Солнечная батарея Suaoki на "полугибких" элементах SunPower

3 500 руб.

Информация



Новое на форуме

Поднять напряжение на сборке
Автор: Александр
07.07.2025 в 14:58

аналоги Вампипчика
Автор: Гость
08.05.2025 в 01:05

Вопрос
Автор: Гость
29.04.2025 в 15:40

Сломался Вампирчик :-(
Автор: nik34
14.08.2024 в 16:24

Бобик сдох...
Автор: lg2375
04.05.2024 в 10:03

Ругаться сюда, однако ;))))
Автор: Гость
29.04.2024 в 03:55

проблемы при зарядке "пустого" вампирчика
Автор: nik34
03.08.2023 в 19:58

сгорел контроллер солнечной батареи
Автор: Гость
30.05.2023 в 23:15

Подскажите сварку.
Автор: Гость
28.05.2023 в 12:06

Разносол: конструкции от LeonidS
Автор: nik34
16.05.2023 в 19:27

Перейти на форум

Сейчас на сайте
95 человек

в т.ч. гостей: 95
пользователей: 0

Всего: 1251

Это может быть полезно


Поделиться этой страницей в:

   FAQFAQ   Поиск на форумеПоиск на форуме    ПользователиПользователи    ГруппыГруппы   ПрофильПрофиль   Личные сообщенияЛичные сообщения   ВходВход 

Техническое обсуждение ВЦ7 (+альт. прошивка)
На страницу 1, 2, 3 ... 16, 17, 18  След.
 
Начать новую тему   Ответить на тему    Список форумов -> Электроника
Автор Сообщение
nik34



Зарегистрирован:
Mar 23, 2008
Сообщения: 2823
Откуда: Москва

СообщениеДобавлено: Пт 05 Май, 2017 9:30    Заголовок сообщения: Техническое обсуждение ВЦ7 (+альт. прошивка)
 Ответить с цитатой

Данная тема предназначена для обсуждения конкретных технических вопросов по разработке ВЦ 7й версии. Поэтому, здесь просьба писать только реальные идеи и т.д., все остальное буду вычищать, чтобы не завязнуть в разговорах.

Пожелания, что можно реализовать программно в микроконтроллере ВЦ7.
Скрытый текст:показать

1. Задание тока автоотключения 50, 100, 200 мА.
1а. Задание задержки перед отключением в автоотключении.
2. Подсчет заряда в мАч (Ач) на выход/(вход?).
3. Калибровки каналов АЦП МК.
3a. калибровка по нескольким точкам (Устранение нелинейности измерения тока выхода.)
4. Мигающий режим фонаря.
5. Фонарь как быстрый индикатор уровня заряда внутренних акк. (количеством вспышек).
6. Убрать влияние тока заряда на величину индикации процента заряда. (из-за подскока напряжения на акк.)
8. В режиме ЗАР после установки напряжения конца заряда, сделать еще один пункт настройки - установка максимального заряда в мАч. (т.е. не более)
9. Сделать, чтобы корректно измерялся уровень заряда в процентах при установке LiFe аккумуляторов. Т.к. у них более низкое напряжение, то 100% должно быть не при 4.2В, а при 3.65В.
10. Индикация перегрузки измерителя. (миганием цифр, точек или надписью)
11. При срабатывании ограничителя времени в режиме ЗАР, отображать tou вместо FUL
12. При срабатывании ограничителя по заряду (3AP), индицировать это как <жду предложений> вместо FUL
13. (идея) По завершению работы ЗАР индицировать это несколькими вспышками фонаря


Настройки:
1. Калибровка каналов измерителя (впоследствии -- по нескольким точкам, для компенсации нелинейности)
2. Вкл/выкл загрубления разрешения для измерителей.
3. Калибровка счётчика времени (для измерения mAh и t при зарядке)
4. Калибровка встроенного термометра
5. Вкл/выкл (и/или настройка) пониженной яркости дисплея
6. Вкл/выкл режима работы с LiFe (для корректной индикации процентов)

Настройки от nik34:
1. "Iof" ток автоотключения от 20мА до 500мА (либо плавно, а лучше и проще, задать несколько значений 20, 50, 100, 300, 500мА.)
2. "tof" время автоотключения 10с, 30с, 60с, 3минуты, 5 минут.
3. "Ust" (стоп) порог разряда внутренних акк. (здесь можно с шагом 0.1В, примерно от 2.7 до 3.3В по умолчанию 2.7В, "железо" отключает при 2.7В), чтобы не допускать их сильный разряд. Т.е. подавать сигнал "стоп" на полное выключение по этому порогу.
4. "Upa" (пауза) порог для остановки работы повышающей части (также с шагом 0.1В, скажем, от 2.7В до 3.7В, по умолчанию 2.7В). Это нужно если ВЦ заряжает что-то и одновременно сам заряжается от маломощного источника, т.е. на выход отдает с большей скоростью, чем заряжается.
5. "Cal" калибровки показаний в каналах. (если останется место в памяти)
6. Нужно сделать сброс всех записанных настроек при нажатии одновременно на обе кнопки вверх/вниз более 10 сек.

Настройки от RomaST
1. Настройку изменения шага напряжения в режиме ЗАР. 10мВ, 50мВ и 100мВ.
2. В режим ЗАР добавить фиксированное напряжения для 1АА и 2АА аккумуляторов. Т.е. А1 и А2 режимы.

работа меню настроек:показать

Вариант работы меню настройки:
Вход в режим настройки происходит после долгого (5 сек.) нажатия на любую из кнопок "вверх" или "вниз".
После чего мы листаем пункты меню кнопками вверх/вниз.
Если останавливаемся на любом пункте дольше 3сек., то попадаем внутрь его и начинается индикация цифр настроек, которые также можно листать кнопками вверх/вниз. Если останавливаемся в листании на 3сек, то текущее значение записывается. И далее автоматически выбрасываемся из режима настроек.

Для пользователя калибровка должна выглядеть так.
- входим в режим настроек (долгое нажатие на вверх или вниз),
- листаем до режима "Cal" (и жмем кнопку фонаря или ждем 3с чтобы войти)
- внутри режима "Cal" выбираем U, Uac, Uin, I, Ich
- после остановки на любом из этих каналов после 3сек.(или кн."фонарь"), начинается индикация напряжения(тока) в этом канале (т.е. что пользователь видел бы на индикаторе)
- далее пользователь нажимая на кнопки вверх/вниз увеличивает или уменьшает показания на индикаторе, до тех, которые считает нужными (которые показывает точный внешний вольтметр/амперметр). Как только остановился на 3с, то вылетаем из режима настроек, либо при нажатии на кнопку фонаря переходим на уровень выше. (естественно, с сохранением)
Т.е. если пользователь задает цифру отличающуюся от показываемой исходно, то отношение этих двух значений дает поправочный коэфф. на который затем умножается измеряемое МК значение. (т.е. коэфф. меняет наклон характеристики АЦП, но не смещение нуля. Для компенсации смещения нуля нужны еще 5 пуктов меню в режиме калибровки. Думаю, сейчас их делать нет смысла.)
Кстати, этот коэффициент на который умножаем, даже нет необходимости вычислять в МК. Просто при нажатии вверх/вниз меняем этот коэфф. с каким-то шагом и в индикатор выдаем уже результат умножения этого коэфф. на результат измерения АЦП. (т.е. исключаем операцию деления, оставляя только умножение, которое и так будет по умолчанию.)


Эргономика:показать


Гашение цифрового индикатора происходит примерно через 1 минуту после отсутствия нажатия каких-либо кнопок. При нажатии время продлевается еще на 1 минуту.
Время включенного состояния также продлевается на 1 мин. при изменении напряжения на выходе больше, чем на 10% за последние 3 сек. (т.е. если пользователь что-то там регулирует).

Автовыключение подает сигнал "стоп" примерно через 0.5 минуты.

В конце заряда сигнал "стоп" на полное выключение ВЦ с индикацией Ful. После индикации Ful через 1 минуту можно гасить индикатор, когда пользователь вернется и нажмет любую кнопку, показать ему Ful в течение минуты и выйти из режима зарядника (сигнал Стоп был подан ранее).

Можно задействовать кнопку фонаря для подтверждения выбора, чтобы не ждать 3 сек. Т.е. если нажать на кнопку фонаря, сохраняем текущий выбор цифры установки и выбрасываемся на уровень вверх. (т.е. из цифр на уровень выбора настроек, а из этого уровня - выходим из режима настроек)
Т.е. мы можем работать и без кнопки фонаря, если забудем о ней, но с ней будет удобнее.

Кнопка фонаря.
Краткое нажатие включает индикатор уровня заряда внутренних акк. в виде миганий фонаря от одного до 4х раз с частотой чуть выше 1Гц. Мигимальный уровень заряда - 1 мигание, максимальный - 4.
Включается мигание после отпускания кнопки фонаря.

Долгое нажатие включает/отключает фонарь.
При включении фонаря включается одновременно и мелкий повышающий стабилизатор.


Пожелания реализованные
Скрытый текст:показать

уже реализовано, можно убирать либо переносить:
~~~~~~~~~~~~~~~~~~~~~~~~~~~~~~~~~~~~~~~~~~~~~~~~~~~~~~~~~~~~
1. Задание тока автоотключения 50, 100, 200 мА.
--задаётся в настройках в диапазоне 10..250мА с шагом 1мА [IoF]

1а. Задание задержки перед отключением в автоотключении.
--в настройках 1..250 сек с шагом 1сек [toF]

2. Подсчет заряда в мАч (Ач) на выход/(вход?).
--только на выход [ Ah]

3. Калибровки каналов АЦП МК.
--есть

5. Фонарь как быстрый индикатор уровня заряда внутренних акк. (количеством вспышек).
-- долгое нажатие, 1-5 вспышек

6. Убрать влияние тока заряда на величину индикации процента заряда. (из-за подскока напряжения на акк.)
-- с автоподстройкой, вроде работает

8. В режиме ЗАР после установки напряжения конца заряда, сделать еще один пункт настройки - установка максимального заряда в мАч. (т.е. не более)
-- готово [nAh], читать как mAh

9. Сделать, чтобы корректно измерялся уровень заряда в процентах при установке LiFe аккумуляторов. Т.к. у них более низкое напряжение, то 100% должно быть не при 4.2В, а при 3.65В.
-- давно реализовано, ещё в 4ых версиях, вкл в настройках флаг [L.F.E.]

10. Индикация перегрузки измерителя. (миганием цифр, точек или надписью)
-- давно реализовано. Перегрузка [1...]

11. При срабатывании ограничителя времени в режиме ЗАР, отображать tou вместо FUL
-- а также [FAh] по истечении мАч

13. (идея) По завершению работы ЗАР индицировать это несколькими вспышками фонаря
-- 20 вспышек

Настройки:
1. Калибровка каналов измерителя (впоследствии -- по нескольким точкам, для компенсации нелинейности)
-- пока по одной точке

2. Вкл/выкл загрубления разрешения для измерителей.
-- в настройках, флаг [rES]

4. Калибровка встроенного термометра
-- [ t*] в настройках

5. Вкл/выкл (и/или настройка) пониженной яркости дисплея
-- флаг [LGH] и значение [bri]

6. Вкл/выкл режима работы с LiFe (для корректной индикации процентов)
-- см. п.9

Настройки от nik34:
1. "Iof" ток автоотключения от 20мА до 500мА (либо плавно, а лучше и проще, задать несколько значений 20, 50, 100, 300, 500мА.)
-- плавно, п.1

2. "tof" время автоотключения 10с, 30с, 60с, 3минуты, 5 минут.
-- плавно, в секундах, п. 1а, не более 250сек

5. "Cal" калибровки показаний в каналах. (если останется место в памяти)
-- в настройках

6. Нужно сделать сброс всех записанных настроек при нажатии одновременно на обе кнопки вверх/вниз более 10 сек.
-- установка джампера при удерживаемых обеих кнопках. После сброса рекомендуется перезагрузить джампером.

Настройки от RomaST
1. Настройку изменения шага напряжения в режиме ЗАР. 10мВ, 50мВ и 100мВ.
-- в настройках значений, [USt]

2. В режим ЗАР добавить фиксированное напряжения для 1АА и 2АА аккумуляторов. Т.е. А1 и А2 режимы.
-- давно есть


Осталось:
~~~~~~~~~
12. При срабатывании ограничителя по заряду (3AP), индицировать это как <жду предложений> вместо FUL
-- сейчас я этого не понял. Или забыл, что имелось в виду.


В перспективе:
~~~~~~~~~
Настройки:
3. Калибровка счётчика времени (для измерения mAh и t при зарядке)

Настройки от nik34:
3. "Ust" (стоп) порог разряда внутренних акк. (здесь можно с шагом 0.1В, примерно от 2.7 до 3.3В по умолчанию 2.7В, "железо" отключает при 2.7В), чтобы не допускать их сильный разряд. Т.е. подавать сигнал "стоп" на полное выключение по этому порогу.
4. "Upa" (пауза) порог для остановки работы повышающей части (также с шагом 0.1В, скажем, от 2.7В до 3.7В, по умолчанию 2.7В). Это нужно если ВЦ заряжает что-то и одновременно сам заряжается от маломощного источника, т.е. на выход отдает с большей скоростью, чем заряжается.


Цитата:
Ну и в заголовок актуальные версии прошивок для 48 (v004b, v007b) и для 328 ( v005b )


Последний раз редактировалось: nik34 (Вс 13 Сен, 2020 9:24), всего редактировалось 11 раз(а)
Вернуться к началу
Посмотреть профиль Отправить личное сообщение Посетить сайт автора
nik34



Зарегистрирован:
Mar 23, 2008
Сообщения: 2823
Откуда: Москва

СообщениеДобавлено: Пт 05 Май, 2017 10:08    Заголовок сообщения:
 Ответить с цитатой

Итак, продолжаем разговор здесь.

Цитата:
Удалось ввести МК в режим Power-down. Измеренное потребление при этом порядка 300мкА. С кнопки просыпается и продолжает работу с того же места.
....Честно говоря, я ожидал бОльшего снижения потребления.
Измерил - 270мкА. Сойдет. Выходит больше 2х лет, чтобы полностью разрядить ВЦ с 2мя акк. по 3000мАч.
Может быть попробовать поиграться с тактовой частотой?

Цитата:
При выключенном МК (выключателем) -- потребление 40мкА.
Вместо кнопки, в любом случае, оставлю джампер и если уж кому захочется снизить ток до 40мкА, пусть его размыкает. ; )

Цитата:
Плюс в меге328 есть встроенный градусник -- тоже можно будет почитать на досуге.
Встроенный градусник, как понял, есть и в 48м, который сейчас стоит.
Проверил вашу программу из последнего письма. Показывает 59 градусов на 48й меге. Если и на 328й будет аналогичная картинка, то, боюсь, что эта функция будет бесполезна.

Цитата:
Связано с неодинаковым количеством вычислений между циклами индикации. Наверное, отображение буду переводить на прерывания по таймеру.
Неважно как, главное, чтобы без сильных мерцаний.

Цитата:
Не понял вопроса. Что значит "использовать на фонарь"?
Функциональность v6, думаю, удастся сохранить. При необходимости дополнительной работы с ногами вследствие новой конструкции -- будем что-то выкидывать. Например калибровки.
Имел в виду, хватит ли памяти у 48го, если туда добавить еще включение фонаря, некоторую индикацию и тд. Надеюсь, хватит.

Цитата:
Я вот ещё думаю о 4-разрядном индикаторе. На текущем не помещается значение калибровки и напряжения >10В отображаются недостаточно подробно (например, шаг напряжения зарядки 0.05В).
Может быть пока оставить эту возможность на потом? Сейчас нужно сделать "почищенную" версию ВЦ6. А дальше можно и о нормальном дисплее думать (типа OLED или графическом экране от телефона). Но не сейчас, чтобы не закопаться. Очень хочется сделать эту версию максимально простой, но при сохранении уже существующих функций. Сейчас это основной критерий оптимизации.
Простой, в том числе, и для пользователя.

Цитата:
Были ли в Вашей практике случаи издыхания контроллера в процессе эксплуатации?
Были несколько случаев, когда МК не хотел прошиваться (примерно 1% от всех). Было с десяток случаев, когда МК переставал реагировать на кнопку вверх или вниз. Т.е. почему-то умирала входная схема у него. Возможно, брак.
А, вообще, если не считать разъемов и кнопок (механики), то МК, пожалуй, будет основным поставщиком отказов.

Цитата:
Смотрю, мы тут постепенно уходим от идеи самодостаточного железа.
А что делать? : ( Иначе, получается сложно. Но на МК вешаются пока только второстепенные функции (фонарь, автоотключение, зарядник для внешних акк...) и при его выходе из строя или сбоя программы остальное будет работать, т.к. я закладываю, что активный уровень сигнала, когда МК может как-то повлиять на схему всегда высокий. Т.е. какой бы ни был сбой МК, мы можем разомкнуть джампер его питания и он не сможет никак влиять на основную схему.
Вернуться к началу
Посмотреть профиль Отправить личное сообщение Посетить сайт автора
Lex




Зарегистрирован:
Nov 23, 2016
Сообщения: 337
Откуда: 61

СообщениеДобавлено: Пт 05 Май, 2017 10:16    Заголовок сообщения:
 Ответить с цитатой

Не выйдет ли путаницы с лайтовым, уже ранее выпущенным ВЦ7?
Вернуться к началу
Посмотреть профиль Отправить личное сообщение
nik34



Зарегистрирован:
Mar 23, 2008
Сообщения: 2823
Откуда: Москва

СообщениеДобавлено: Пт 05 Май, 2017 11:09    Заголовок сообщения:
 Ответить с цитатой

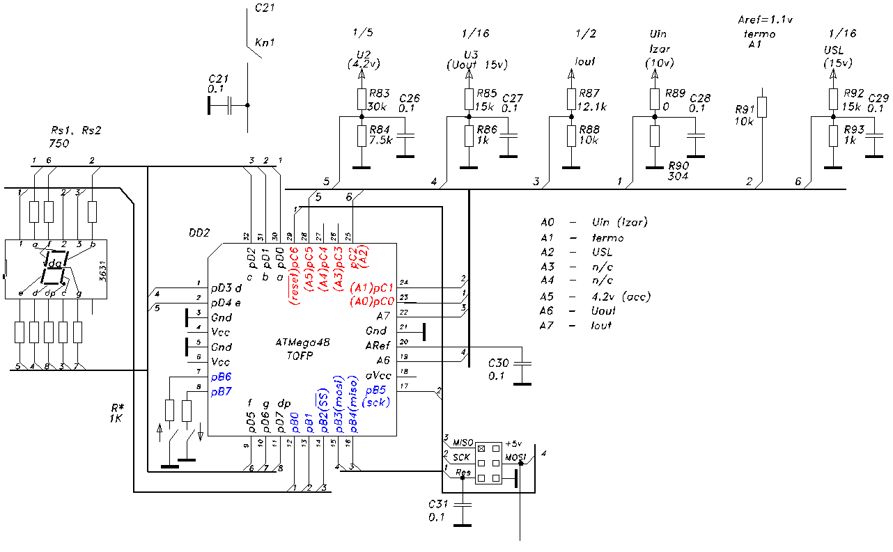
Теперь, что имеем по ножкам МК.
Схема МК с обвязкой пока такая, как на рисунке ниже.
В этом случае, свободными остаются
1. А1 (рС1) (есть АЦП)
2. А3 (рС3) (есть АЦП)
3. А4 (рС4) (есть АЦП)
Возможно использовать на выход ноги
4. РВ4 (miso)
5. PB5 (sck)
Возможно сэкономить еще одну ногу РВ6 или РВ7, если две кнопки вверх-вниз прицепить к одной ноге. Но, возможно, лучше будет пустить с кнопок на ногу с АЦП. Тем более, что в этом случае легко добавить еще одну кнопку на эту же ножку.
Тогда рВ6 и 7 можно освободить полностью и пустить на выход весь порт В.
---------------------------
Возможные хотелки от МК (можно добавлять)
1. Вход с кнопки вкл/откл фонаря.
2. Выход на включение фонаря.
3. Вход с переключателя автоотключения.
4. Выход. Выключение ВЦ полное.
(перенести РВ3 mosi, который сейчас "жмет" на главный выключатель на приостановку работы повышающей части, как было в более ранней версии) Т.е. устранить "глюк" с отсутствием FUL в 6й.
5. Выход РВ4 miso можно пустить на полное отключение ВЦ.
Но полное отключение я могу сделать и через "железо" без МК, т.е. отключение ВЦ происходит после нескольких секунд присутствия сигнала отключение повышайки. В этом случае будет сложнее организовать режим исключения полного разряда акк., когда мы временно приостанавливаем выход, если ВЦ при этом одновременно стоит еще и на зарядке сам.
Это основное, что надо сделать.
Из необязательного можно.
6. Выход - запрет заряда внутренних акк. если их температура ниже нуля. Одновременно, эта же ножка включает подогрев внутренностей ВЦ от источника питания. Но это в случае если будем относительно точно мерять температуру, а это, похоже, не наблюдается.
Возможно будет проще поставить терморезистор рядом с аккумуляторами и зашить в МК уровень напряжения, приходящий с делителя с терморезистором.
7. Вход - информация для МК, что сработала термозащита. Но точно я еще не знаю, как буду делать ее. Пока просто оставляем ножку в резерв.
---------------------
1. Алексей, поправьте меня, если что, нет ли каких особенностей при использовании ножек рВ3..5, которые одновременно служат и для программирования МК.
2. Какие будут пожелания по использованию ножек для разных целей - раз уж делать версию прошивки несовместимую с предыдущими, то можно поменять и схему подключения.
Кстати, возможно я при разводке поменяю некоторые ножки у МК для более простой разводки. но это когда буду разводить плату.
---------------------
Как идеи.
1. Теоретически, на МК можно повесить перебор вариантов на ножках данных выходного USB порта. Но как бы здесь не перемудрить.
2. Можно вообще исключить переключатель автовыключения и включать его программно. (освободится ножка, но не факт, что удобно)
3. Какие будут еще идеи по добавлению функционала ВЦ при большем использовании МК?



mk.gif
 Описание:
 Размер:  24.64 KB
 Просмотров:  3395 раз(а)

mk.gif




Последний раз редактировалось: nik34 (Пт 05 Май, 2017 12:53), всего редактировалось 7 раз(а)
Вернуться к началу
Посмотреть профиль Отправить личное сообщение Посетить сайт автора
nik34



Зарегистрирован:
Mar 23, 2008
Сообщения: 2823
Откуда: Москва

СообщениеДобавлено: Пт 05 Май, 2017 11:15    Заголовок сообщения:
 Ответить с цитатой

Lex писал(а):
Не выйдет ли путаницы с лайтовым, уже ранее выпущенным ВЦ7?

Не важно. Лайт не выпускается. Да и номер там не несет большой информации, в отличие от основной "линии" ВЦ.
Вернуться к началу
Посмотреть профиль Отправить личное сообщение Посетить сайт автора
Lex




Зарегистрирован:
Nov 23, 2016
Сообщения: 337
Откуда: 61

СообщениеДобавлено: Пт 05 Май, 2017 13:11    Заголовок сообщения:
 Ответить с цитатой

nik34 писал(а):
Итак, продолжаем разговор здесь.

Цитата:
Удалось ввести МК в режим Power-down. Измеренное потребление при этом порядка 300мкА. С кнопки просыпается и продолжает работу с того же места.
....Честно говоря, я ожидал бОльшего снижения потребления.
Измерил - 270мкА. Сойдет. Выходит больше 2х лет, чтобы полностью разрядить ВЦ с 2мя акк. по 3000мАч.
Может быть попробовать поиграться с тактовой частотой?
С частотой вряд ли, т.к. процессор в режиме power-down останавливается. Сам МК при этом должен потреблять меньше микроампера.
Либо я его неправильно усыпляю, либо какая-то периферия потребляет -- нужно глубже копать.
Вот перед усыплением тушится индикатор следующими инструкциями:
Код:
{
PORTB.1=1;
PORTB.2=1;
PORTB.4=1; // Хм... Это не рудимент от предыдущих ВЦ остался? Будто где-то был индикатор с 4м разрядом на ноге PB4
PORTB.0=1;
PORTD=0;
}
Вдруг там ключи на портах что-то жрут, и правильнее переводить порты в высокоимпедансное состояние.

Цитата:
Цитата:
Плюс в меге328 есть встроенный градусник -- тоже можно будет почитать на досуге.
Встроенный градусник, как понял, есть и в 48м, который сейчас стоит.
Проверил вашу программу из последнего письма. Показывает 59 градусов на 48й меге. Если и на 328й будет аналогичная картинка, то, боюсь, что эта функция будет бесполезна.
59 градусов означают всего лишь, что Ваш экземпляр 48го завышает показания сильнее моего. На 328й аналогичная будет обязательно. С точностью до величины поправки.
Градусник, как я понял, выдаёт температуру в Кельвинах.
На моём экземпляре при 27 градусах получено значение 340. Во вчерашней прошивке перед отображением из измеренного значения вычитается 313, т.е. вводится поправка -40.
Если в разных экземплярах достаточно будет только лишь изменять величину этой поправки -- вполне годный градусник будет.
Разумеется, каждый экземпляр должен калиброваться индивидуально. Можно даже программно запретить измерение температуры некалиброванным градусником.

Цитата:
Цитата:
Не понял вопроса. Что значит "использовать на фонарь"?
Функциональность v6, думаю, удастся сохранить. При необходимости дополнительной работы с ногами вследствие новой конструкции -- будем что-то выкидывать. Например калибровки.
Имел в виду, хватит ли памяти у 48го, если туда добавить еще включение фонаря, некоторую индикацию и тд. Надеюсь, хватит.
Памяти хватит, если добавить за счёт какой-то функции. Выкинем, например, меню настроек, меню калибровок, сброс EEPROM или режим пониженной яркости. Собственно, уже описал в предыдущем ответе.

Цитата:
Были несколько случаев, когда МК не хотел прошиваться (примерно 1% от всех). Было с десяток случаев, когда МК переставал реагировать на кнопку вверх или вниз. Т.е. почему-то умирала входная схема у него. Возможно, брак.
Я тут могу предположить только убивание кнопочной ноги статикой. Бороться можно, например, стабилитроном.

Цитата:
А, вообще, если не считать разъемов и кнопок (механики), то МК, пожалуй, будет основным поставщиком отказов.
Насколько вероятна ситуация, когда правильно написанная прошивка будет выполняться неправильно? По причине подпорченного содержимого флешки или неверного исполнения инструкций.

Цитата:
Но на МК вешаются пока только второстепенные функции (фонарь, автоотключение, зарядник для внешних акк...) и при его выходе из строя или сбоя программы остальное будет работать, т.к. я закладываю, что активный уровень сигнала, когда МК может как-то повлиять на схему всегда высокий. Т.е. какой бы ни был сбой МК, мы можем разомкнуть джампер его питания и он не сможет никак влиять на основную схему.
Джампер полезен, да. В том числе и в качестве reset можно использовать.

И в вц6 сейчас нет выхода из режима зарядки -- только через отключение. В упрощённой модификации на меге48 либо придётся дёргать джампер, либо дописать код (за счёт других функций).

Кнопку фонаря программно удобнее обрабатывать с порта B, на котором уже две висят. Тогда будет задействовано одно аппаратное прерывание.
Как вариант, повесить на освободившийся от разряда "1" PB0, который переедет на PB3, где есть ШИМ для управления яркостью.

Главный вопрос: Какие ноги сейчас планируется на что использовать, и какие свободны? Нужно их как-то скомбинировать-распределить и согласовать, чтобы хватило на всё. Плюс у разных ног разные возможности.
Уже написали, отвечу сегодня.


Последний раз редактировалось: Lex (Пт 05 Май, 2017 13:53), всего редактировалось 1 раз
Вернуться к началу
Посмотреть профиль Отправить личное сообщение
Lex




Зарегистрирован:
Nov 23, 2016
Сообщения: 337
Откуда: 61

СообщениеДобавлено: Пт 05 Май, 2017 15:33    Заголовок сообщения:
 Ответить с цитатой

Цитата:
Возможно сэкономить еще одну ногу РВ6 или РВ7, если две кнопки вверх-вниз прицепить к одной ноге.
Не представляю себе, как это реализовать без аналогового входа. Нужно иметь возможность анализировать состояние каждой кнопки, в том числе одновременное их нажатие.
Цитата:
Но, возможно, лучше будет пустить с кнопок на ногу с АЦП. Тем более, что в этом случае легко добавить еще одну кнопку на эту же ножку.
Тогда рВ6 и 7 можно освободить полностью и пустить на выход весь порт В.
Подозреваю, что это противоречит идее усыпления МК, т.к. АЦП тоже останавливается. Для пробуждения я сейчас использовал "Pin Change Interrupt", и не знаю, сработает ли оно в случае с "аналоговыми" кнопками.
Вернуться к началу
Посмотреть профиль Отправить личное сообщение
Lex




Зарегистрирован:
Nov 23, 2016
Сообщения: 337
Откуда: 61

СообщениеДобавлено: Пт 05 Май, 2017 16:26    Заголовок сообщения:
 Ответить с цитатой

Итого по выводам, что нам нужно:
Кнопки:
1. кн.вверх
2. кн.вниз
3. кн.фонаря
4. дв.автоотключения

Выходы ШИМ:
1. фонарь
2. i1 (разряды индикатора)
3. i2
4. i3

Выходы цифровые:
1. выкл
2. запрет зарядки
3. запрет повышайки

Другое:
1. вх.термозащиты

Получилось примерно так:
Код:

1. А1 (рС1) (есть АЦП)          [дв.автоотключения(0.5U), термозащита 0U
2. А3 (рС3) (есть АЦП)          [запрет повышайки
3. А4 (рС4) (есть АЦП)          [запрет зарядки
4. РВ4 (miso)                   [кн.вверх
5. PB5 (sck)                    [кн.вниз
6 PB6                           [кн.фонаря
7 PB7                           [фонарь
8 PB3(mosi)(pwm)                [i1

9  PB0                          [выкл
10 PB1  (pwm)                   [i2
11 PB2  (pwm)                   [i3

Можно сигнал срабатывания термозащиты повесить на линию запрета повышайки. Тогда на этой линии МК будет читать уровень сигнала в режиме входа, либо сам тушить повышайку выходом.

по количеству ног вписались, не хватило одного канала ШИМ для фонаря.

имеем:
- 3 ноги с ШИМ
- 1 просто цифровую
хотим :
- фонарь через ШИМ
- яркость 3х разрядов через ШИМ

Приходит на ум костыльная конструкция примерно следующего вида:
1. фонарь вешаем на ногу с ШИМ
2. вторая нога ШИМ используется для управления яркостью (коммутации питания) всех разрядов
3. 2 оставшихся ноги используются как цифровые выходы на ключи, коммутирующие заданный сегмент на ногу из п.2
4. выбор разряда в логическом коде:
00 - откл
01 - разряд 1
10 - разряд 2
11 - разряд 3


Последний раз редактировалось: Lex (Пт 05 Май, 2017 16:30), всего редактировалось 1 раз
Вернуться к началу
Посмотреть профиль Отправить личное сообщение
Lex




Зарегистрирован:
Nov 23, 2016
Сообщения: 337
Откуда: 61

СообщениеДобавлено: Пт 05 Май, 2017 17:19    Заголовок сообщения:
 Ответить с цитатой

Цитата:
Т.е. устранить "глюк" с отсутствием FUL в 6й.

Глюк же, вроде бы, устранён программно. Путём уменьшения задержки в выключенном состоянии. У меня, например, раньше FUL не отключается.

Цитата:
Но полное отключение я могу сделать и через "железо" без МК, т.е. отключение ВЦ происходит после нескольких секунд присутствия сигнала отключение повышайки. В этом случае будет сложнее организовать режим исключения полного разряда акк., когда мы временно приостанавливаем выход, если ВЦ при этом одновременно стоит еще и на зарядке сам.
вот этого не понял. Делаю вывод, что что-то там сложно, и лучше так не делать.
Да и я могу возжелать в каком-нибудь алгоритме держать повышайку отключенной более нескольких секунд.

Цитата:
6. Выход - запрет заряда внутренних акк. если их температура ниже нуля. Одновременно, эта же ножка включает подогрев внутренностей ВЦ от источника питания. Но это в случае если будем относительно точно мерять температуру, а это, похоже, не наблюдается.
Возможно будет проще поставить терморезистор рядом с аккумуляторами и зашить в МК уровень напряжения, приходящий с делителя с терморезистором.
2 ноги под это использовать расточительно. Проще реализовать на термометре МК, но включать функцию только после процедуры калибровки. Правда тогда не гарантируется защита от дурака. Ну или сделать совмещЁнный вход/выход на одной ноге.

Цитата:
1. Алексей, поправьте меня, если что, нет ли каких особенностей при использовании ножек рВ3..5, которые одновременно служат и для программирования МК.

Опыта работы с ними не имею, но напряжение на них наверняка не выйдет за пределы [0..+5]. Стало быть, подключённые к ним цепи не должны создавать нагрузки при программировании. Например, нормально разомкнутые кнопки, или ноги разрядов индикатора (предполается, что порт D не будет подтянут к питанию.)

Цитата:
Кстати, возможно я при разводке поменяю некоторые ножки у МК для более простой разводки. но это когда буду разводить плату.

Главное, чтоб равноценные ножки.

Цитата:
1. Теоретически, на МК можно повесить перебор вариантов на ножках данных выходного USB порта. Но как бы здесь не перемудрить.

По-моему, лучше оставить как есть. Пусть пользователь настроит раз под свои девайсы, и пользует. А например motorola вообще не будет заряжаться, т.к. требует резистор с земли на 5й контакт мини юсб.
Цитата:
2. Можно вообще исключить переключатель автовыключения и включать его программно. (освободится ножка, но не факт, что удобно)
Неудобно, придЁтся мудрить с включением и индикацией, но при острой необходимости допускаю.
Вернуться к началу
Посмотреть профиль Отправить личное сообщение
nik34



Зарегистрирован:
Mar 23, 2008
Сообщения: 2823
Откуда: Москва

СообщениеДобавлено: Пт 05 Май, 2017 18:18    Заголовок сообщения:
 Ответить с цитатой

Цитата:
Либо я его неправильно усыпляю, либо какая-то периферия потребляет -- нужно глубже копать.
Вот перед усыплением тушится индикатор следующими инструкциями:
Код:
{
PORTB.1=1;
PORTB.2=1;
PORTB.4=1; // Хм... Это не рудимент от предыдущих ВЦ остался? Будто где-то был индикатор с 4м разрядом на ноге PB4
PORTB.0=1;
PORTD=0;
}
Вдруг там ключи на портах что-то жрут, и правильнее переводить порты в высокоимпедансное состояние.

Может быть не порты, а обратные токи светодиодов индикатора. Т.е., насколько понял, при данном коде светодиоды оказываются обратно смещенными. Необходимости в таком обратном смещении нет. Попробуйте поставить порт и В, и D одновременно либо в единицы, либо в ноль (ножки, которые идут на индикаторы).

По поводу градусника и подогрева. Пока уберем его от МК. Все равно, измерять надо около аккумуляторов.

Цитата:
Я тут могу предположить только убивание кнопочной ноги статикой. Бороться можно, например, стабилитроном.
Убивалась, если не ошибаюсь, только одна кнопка. Решил, что что-то импульсное. Поставил последовательные резисторы, как показано на схеме. Вроде, проблема ушла.
Цитата:
Насколько вероятна ситуация, когда правильно написанная прошивка будет выполняться неправильно? По причине подпорченного содержимого флешки или неверного исполнения инструкций.
Да кто ж его знает?

Цитата:
И в вц6 сейчас нет выхода из режима зарядки -- только через отключение. В упрощённой модификации на меге48 либо придётся дёргать джампер, либо дописать код (за счёт других функций).
Есть замечательный способ перезагрузки МК - дать ему по заднице ударить снизу - даже не слишком сильный удар по нижнему торцу приводит к отрыву плюса аккумуляторов и снятию питания с МК.

Цитата:
Кнопку фонаря программно удобнее обрабатывать с порта B, на котором уже две висят. Тогда будет задействовано одно аппаратное прерывание.
Хорошо, учту.

Цитата:
Как вариант, повесить на освободившийся от разряда "1" PB0, который переедет на PB3, где есть ШИМ для управления яркостью.

Честно говоря, до сих пор не понял, зачем надо снижать яркость. Ее в большинстве случаев не хватает, особенно на солнце.


Последний раз редактировалось: nik34 (Пт 05 Май, 2017 18:33), всего редактировалось 1 раз
Вернуться к началу
Посмотреть профиль Отправить личное сообщение Посетить сайт автора
nik34



Зарегистрирован:
Mar 23, 2008
Сообщения: 2823
Откуда: Москва

СообщениеДобавлено: Пт 05 Май, 2017 18:23    Заголовок сообщения:
 Ответить с цитатой

Lex писал(а):
Цитата:
Возможно сэкономить еще одну ногу РВ6 или РВ7, если две кнопки вверх-вниз прицепить к одной ноге.
Не представляю себе, как это реализовать без аналогового входа. Нужно иметь возможность анализировать состояние каждой кнопки, в том числе одновременное их нажатие.

Двойное не увидим.

Цитата:
Цитата:
Но, возможно, лучше будет пустить с кнопок на ногу с АЦП. Тем более, что в этом случае легко добавить еще одну кнопку на эту же ножку.
Тогда рВ6 и 7 можно освободить полностью и пустить на выход весь порт В.
Подозреваю, что это противоречит идее усыпления МК, т.к. АЦП тоже останавливается. Для пробуждения я сейчас использовал "Pin Change Interrupt", и не знаю, сработает ли оно в случае с "аналоговыми" кнопками.
Это хуже. С одной стороны. С другой - виднее ограничители фантазий Smile

Последний раз редактировалось: nik34 (Пт 05 Май, 2017 18:24), всего редактировалось 1 раз
Вернуться к началу
Посмотреть профиль Отправить личное сообщение Посетить сайт автора
nik34



Зарегистрирован:
Mar 23, 2008
Сообщения: 2823
Откуда: Москва

СообщениеДобавлено: Пт 05 Май, 2017 18:59    Заголовок сообщения:
 Ответить с цитатой

Цитата:
Получилось примерно так:
Код:

1. А1 (рС1) (есть АЦП)          [дв.автоотключения(0.5U), термозащита 0U
2. А3 (рС3) (есть АЦП)          [запрет повышайки
3. А4 (рС4) (есть АЦП)          [запрет зарядки
4. РВ4 (miso)                   [кн.вверх
5. PB5 (sck)                    [кн.вниз
6 PB6                           [кн.фонаря
7 PB7                           [фонарь
8 PB3(mosi)(pwm)                [i1

9  PB0                          [выкл
10 PB1  (pwm)                   [i2
11 PB2  (pwm)                   [i3

Предварительно, согласен.
Только склоняюсь пока, чтобы запрет зарядки делать без МК. Так что, потенциально освобождается один АЦП.

Цитата:
Можно сигнал срабатывания термозащиты повесить на линию запрета повышайки. Тогда на этой линии МК будет читать уровень сигнала в режиме входа, либо сам тушить повышайку выходом.
Думаю, не пройдет. Сигнал идет на вход обратной связи повышайки и ничего лишнего там лучше не иметь.

Цитата:
по количеству ног вписались, не хватило одного канала ШИМ для фонаря.

С текущим маломощным фонарем ШИМ не сильно актуален. Но если приспичит сделать фонарь мощнее, то обязательно надо регулировать его яркость.

По поводу изменения яркости индикатора, либо фонаря можно поспрошать народ здесь. Просто для статистики, кому что важнее.

Цитата:
имеем:
- 3 ноги с ШИМ
- 1 просто цифровую
хотим :
- фонарь через ШИМ
- яркость 3х разрядов через ШИМ

Приходит на ум костыльная конструкция примерно следующего вида:.......
Надо подумать. Если что в голову придет, напишу.
Вернуться к началу
Посмотреть профиль Отправить личное сообщение Посетить сайт автора
nik34



Зарегистрирован:
Mar 23, 2008
Сообщения: 2823
Откуда: Москва

СообщениеДобавлено: Пт 05 Май, 2017 19:18    Заголовок сообщения:
 Ответить с цитатой

Цитата:
[quote="Lex"]
Цитата:
Т.е. устранить "глюк" с отсутствием FUL в 6й.

Глюк же, вроде бы, устранён программно. Путём уменьшения задержки в выключенном состоянии. У меня, например, раньше FUL не отключается.
Не считаю, что решена - там по любому получаются гонки, что раньше отключится. Что плохо. К тому же, мне сильно хочется убрать задержки при нажатии кнопок включения-выключения.
Так что, считаю, что проблема не устранена - так, временная "затычка".

Цитата:
Цитата:
Но полное отключение я могу сделать и через "железо" без МК, т.е. отключение ВЦ происходит после нескольких секунд присутствия сигнала отключение повышайки. В этом случае будет сложнее организовать режим исключения полного разряда акк., когда мы временно приостанавливаем выход, если ВЦ при этом одновременно стоит еще и на зарядке сам.
вот этого не понял. Делаю вывод, что что-то там сложно, и лучше так не делать.
Там достаточно организовать простейшую линию задержки - RC, диод, плюс полевик. Но это все равно лишние детали.

Цитата:
Да и я могу возжелать в каком-нибудь алгоритме держать повышайку отключенной более нескольких секунд.
Периодически сбрасывать эту линию задержки (разряжать конденсатор).

Цитата:
Цитата:
6. Выход - запрет заряда внутренних акк. если их температура ниже нуля. Одновременно, эта же ножка включает подогрев внутренностей ВЦ от источника питания. Но это в случае если будем относительно точно мерять температуру, а это, похоже, не наблюдается.
Возможно будет проще поставить терморезистор рядом с аккумуляторами и зашить в МК уровень напряжения, приходящий с делителя с терморезистором.
2 ноги под это использовать расточительно. Проще реализовать на термометре МК, но включать функцию только после процедуры калибровки. Правда тогда не гарантируется защита от дурака. Ну или сделать совмещЁнный вход/выход на одной ноге.
Слишком сложно, значит, не подойдет. Решается простейшим компаратором, хоть на той же TL431.

Цитата:
Цитата:
Кстати, возможно я при разводке поменяю некоторые ножки у МК для более простой разводки. но это когда буду разводить плату.

Главное, чтоб равноценные ножки.
Спрошу в случае чего.
Вернуться к началу
Посмотреть профиль Отправить личное сообщение Посетить сайт автора
nik34



Зарегистрирован:
Mar 23, 2008
Сообщения: 2823
Откуда: Москва

СообщениеДобавлено: Пн 08 Май, 2017 10:52    Заголовок сообщения:
 Ответить с цитатой

Дополнения.
1. Отказываюсь от возможности отключать зарядку внутренних акк. на морозе через МК. Сделаю это через "железо". Будет точнее. И освобождается одна нога МК, которую можно пустить, например, на фонарь для пониженной яркости.
2. Пока висит вопрос с индикацией срабатывания термозащиты. Пока не спешите писать этот кусок.
Вернуться к началу
Посмотреть профиль Отправить личное сообщение Посетить сайт автора
Lex




Зарегистрирован:
Nov 23, 2016
Сообщения: 337
Откуда: 61

СообщениеДобавлено: Ср 10 Май, 2017 13:31    Заголовок сообщения:
 Ответить с цитатой

Цитата:
Убивалась, если не ошибаюсь, только одна кнопка. Решил, что что-то импульсное. Поставил последовательные резисторы, как показано на схеме. Вроде, проблема ушла.

В коде при инициализации программы сначала задаются уровни выходов/подтяжки входов, потом режим вход/выход. Если по умолчанию ноги с кнопками окажутся в состоянии выхода (хотя по идее должны быть входами), и в этот момент окажется нажата кнопка -- получим КЗ на землю. На всякий случай поменяю местами.
Код:
    // Порт В Состояние линий 0-2,4 в единице 3,5 в ноле 6,7 имеют подтяжку
    PORTB=0b11010111; // 0xD7
    // линии 0-5 выходы 6,7 входа
    DDRB=0b00111111; // 0x3F


Цитата:
Честно говоря, до сих пор не понял, зачем надо снижать яркость. Ее в большинстве случаев не хватает, особенно на солнце.

На солнце не хватает, в темноте слепит.
Есть возможность и увеличивать. Можно резюки меньшим номиналом поставить, и по умолчанию сразу включать не максимальный режим. А дальше пусть пользователь настраивает на свой вкус. Посмотрим, как это будет выглядеть на 6ке, благо пара разрядов уже умеют ШИМ.

Цитата:
Спрошу в случае чего.

PortD Сегменты тасовать между собой как угодно;
Каналы ШИМ в произвольном порядке;
Каналы Ацп тоже;
PortB -- тут должны быть все кнопки, с которых нужно просыпаться.

Цитата:
Думаю, не пройдет. Сигнал идет на вход обратной связи повышайки и ничего лишнего там лучше не иметь.

Который сигнал туда пойдёт? Сигнал с МК или с термодатчика?
В рабочем режиме управляющая нога будет в высокоимпедансном состоянии (режим входа), что не должно влиять на подключенную цепь.

Цитата:
Может быть не порты, а обратные токи светодиодов индикатора. Т.е., насколько понял, при данном коде светодиоды оказываются обратно смещенными.

поставил в 0. http://disk.jabbercity.ru/pub/vamp.hex Изменилось ли потребление?

Цитата:
И освобождается одна нога МК, которую можно пустить, например, на фонарь для пониженной яркости.

Не совсем понял. Две ноги на светодиод фонаря что ли?
Вернуться к началу
Посмотреть профиль Отправить личное сообщение
Lex




Зарегистрирован:
Nov 23, 2016
Сообщения: 337
Откуда: 61

СообщениеДобавлено: Чт 11 Май, 2017 12:19    Заголовок сообщения:
 Ответить с цитатой

Тема называется "...(+альт. прошивка)".
Почему, собственно, альт? Пока ведь и основной-то нет. К тому же, если переназначаются куча ног -- вц6 становится несовместимой.
Вернуться к началу
Посмотреть профиль Отправить личное сообщение
nik34



Зарегистрирован:
Mar 23, 2008
Сообщения: 2823
Откуда: Москва

СообщениеДобавлено: Чт 11 Май, 2017 22:17    Заголовок сообщения:
 Ответить с цитатой

Цитата:
В коде при инициализации программы сначала задаются уровни выходов/подтяжки входов, потом режим вход/выход. Если по умолчанию ноги с кнопками окажутся в состоянии выхода (хотя по идее должны быть входами), и в этот момент окажется нажата кнопка -- получим КЗ на землю. На всякий случай поменяю местами.
Спасибо. Лишний кусок надежности добавили.

Цитата:
Цитата:
Честно говоря, до сих пор не понял, зачем надо снижать яркость. Ее в большинстве случаев не хватает, особенно на солнце.

На солнце не хватает, в темноте слепит.
Есть возможность и увеличивать. Можно резюки меньшим номиналом поставить, и по умолчанию сразу включать не максимальный режим. А дальше пусть пользователь настраивает на свой вкус. Посмотрим, как это будет выглядеть на 6ке, благо пара разрядов уже умеют ШИМ.
Пока предполагаю оставить максимальную яркость такую, как есть. Просто, в качестве резисторов используются сборки, а они уже закуплены и на тышшу вампирчиков еще точно хватит. : )

Цитата:
Цитата:
Спрошу в случае чего.

PortD Сегменты тасовать между собой как угодно;
Каналы ШИМ в произвольном порядке;
Каналы Ацп тоже;
PortB -- тут должны быть все кнопки, с которых нужно просыпаться.
Хорошо, учту.

Цитата:
Цитата:
Думаю, не пройдет. Сигнал идет на вход обратной связи повышайки и ничего лишнего там лучше не иметь.

Который сигнал туда пойдёт? Сигнал с МК или с термодатчика?
Имел в виду сигнал от МК.
Но пока, колупаясь со схемой, прихожу к тому, что термозащиты, в том виде, как сейчас вообще не будет. Сейчас остался один термодатчик, который срабатывает только в случае долгого КЗ на круглом выходе, либо подключении к нему аккумулятора с неправильной полярностью. Это было его исходное назначение в 5й версии. И он защищать будет только выходной последовательный транзистор.
По поводу контроля общей температуры еще не знаю, либо ее совсем не будет, либо просто автоматом будет уменьшаться максимальный ток, т.е. не будет резкого срабатывания.

Цитата:
В рабочем режиме управляющая нога будет в высокоимпедансном состоянии (режим входа), что не должно влиять на подключенную цепь.
Само наличие лишнего проводника в чувствительной цепи, который будет ловить дополнительные наводки. Исключаю лишние возможные проблемы.
Опять же, что будет при зависании МК? при его выключенном питании и т.д.?
В общем, "нет индейца - нет проблемы".
Цитата:
Цитата:
Может быть не порты, а обратные токи светодиодов индикатора. Т.е., насколько понял, при данном коде светодиоды оказываются обратно смещенными.

поставил в 0. http://disk.jabbercity.ru/pub/vamp.hex Изменилось ли потребление?
Позже проверю, отпишусь.

Цитата:
Цитата:
И освобождается одна нога МК, которую можно пустить, например, на фонарь для пониженной яркости.
Не совсем понял. Две ноги на светодиод фонаря что ли?
Ну, если совсем ногу будет деть некуда, то да. Сейчас с мелким светодиодом не актуально, но мысль сделать из ВЦ хороший источник света фоном присутствует. (Кстати, я от него питал лампу на метровом куске хорошей светодиодной ленты, мощностью чуть меньше 10Вт. Весьма удобно, особенно регулировать яркость, для более долгой работы.)
Вернуться к началу
Посмотреть профиль Отправить личное сообщение Посетить сайт автора
nik34



Зарегистрирован:
Mar 23, 2008
Сообщения: 2823
Откуда: Москва

СообщениеДобавлено: Чт 11 Май, 2017 22:22    Заголовок сообщения:
 Ответить с цитатой

Lex писал(а):
Тема называется "...(+альт. прошивка)".
Почему, собственно, альт? Пока ведь и основной-то нет. К тому же, если переназначаются куча ног -- вц6 становится несовместимой.
Здесь, в этой теме, все будет касаться только 7й версии.
Предполагаю, что в реале базовая версия прошивки устроит не всех. Так же, как сейчас в 6й.
Опять же, надо доиспользовать запас 48х Мег, а в них не все хотелки можно впихнуть.
Так что, эта тема, так сказать, с запасом на будущее. Smile
Вернуться к началу
Посмотреть профиль Отправить личное сообщение Посетить сайт автора
nik34



Зарегистрирован:
Mar 23, 2008
Сообщения: 2823
Откуда: Москва

СообщениеДобавлено: Пт 12 Май, 2017 9:33    Заголовок сообщения:
 Ответить с цитатой

Цитата:
поставил в 0. http://disk.jabbercity.ru/pub/vamp.hex Изменилось ли потребление?
Ток уменьшился примерно на 3мкА. Т.е., можно считать, что не изменилось ничего.
Вернуться к началу
Посмотреть профиль Отправить личное сообщение Посетить сайт автора
Lex




Зарегистрирован:
Nov 23, 2016
Сообщения: 337
Откуда: 61

СообщениеДобавлено: Пн 15 Май, 2017 10:11    Заголовок сообщения:
 Ответить с цитатой

Цитата:
Пока предполагаю оставить максимальную яркость такую, как есть. Просто, в качестве резисторов используются сборки, а они уже закуплены и на тышшу вампирчиков еще точно хватит. : )

Одну сборку можно поверх другой паять, как с калибровочными резисторами сделано. Получится двойной ток.

Цитата:
Ну, если совсем ногу будет деть некуда, ...

С нашим количеством хотелок лишние ноги не заваляются)) И так вон уже совмещать функции стал.

На тему перебора уровней на ножках данных: TPS2511DGN такая вещица попалась.


Последний раз редактировалось: Lex (Пн 15 Май, 2017 10:32), всего редактировалось 1 раз
Вернуться к началу
Посмотреть профиль Отправить личное сообщение
nik34



Зарегистрирован:
Mar 23, 2008
Сообщения: 2823
Откуда: Москва

СообщениеДобавлено: Чт 18 Май, 2017 10:28    Заголовок сообщения:
 Ответить с цитатой

Цитата:
Одну сборку можно поверх другой паять, как с калибровочными резисторами сделано. Получится двойной ток.
Можно, конечно - двойная работа только.

Цитата:
С нашим количеством хотелок лишние ноги не заваляются)) И так вон уже совмещать функции стал.
По разводке такая раскладка пока выходит.
- pb1, 2, 3 - разряды 1, 2, 3, соответственно
- pb5 вход разрешения автоотключения - 0 - нет, примерно 2...2.5В (напряжение на светодиоде) - включено
- pb4 кнопка фонаря (замыкается на землю)
- pb0 выход, остановка работы повышающей части
- pb6, 7 - кнопки вверх-вниз, соответственно. Без изменений.
- А6 вход - измерение Usl
- A7 вход - измерение Uасс
- А5 (рС5) вход - Ich
- А4 (рС4) вход - I
- А3 (рС3) вход - U
- А0 (рС0) - выход на полное выключение
Остались 2 ноги А1(рС1) и А2(рС2). Одна включает фонарь, другая свободна.

Перенес фонарь наверх на место синего(зеленого) светодиода наличия напряжения на выходе. Т.е. фонарь слабо светится при включенном ВЦ и ярко как фонарь. Не идеал, конечно, но места под фонарь больше не находится.
Все три кнопки (вкл-выкл и фонаря) сейчас на левом боку.

Цитата:
На тему перебора уровней на ножках данных: TPS2511DGN такая вещица попалась.
+50р при закупке в Китае. Wink
Но, вообще, вариант, конечно. Спасибо за напоминание. Можно развести нижний USB под нее для эксперимента. Тем более, что у ТI есть и более дешевые (30р), в более удобном корпусе SOT-23, TPS2513, 2514. Причем, первая может обслужить сразу 2 порта, жалко они на разных концах ВЦ.


Последний раз редактировалось: nik34 (Чт 18 Май, 2017 10:40), всего редактировалось 1 раз
Вернуться к началу
Посмотреть профиль Отправить личное сообщение Посетить сайт автора
Показать сообщения:   
Форум об электронике, зарядке аккумуляторов, солнечных батареях, вопросы по теме "сделай сам".
Начать новую тему   Ответить на тему    Список форумов -> Электроника Часовой пояс: GMT + 3
На страницу 1, 2, 3 ... 16, 17, 18  След.
Страница 1 из 18

 
Перейти:  
Вы можете начинать темы
Вы можете отвечать на сообщения
Вы не можете редактировать свои сообщения
Вы не можете удалять свои сообщения
Вы не можете голосовать в опросах
Вы не можете прилагать файлы к сообщениям
Вы можете скачивать файлы


Форум Mobipower.ru - о солнечных батареях, аккумуляторах, зарядных устройствах, самоделках
 

Загрузка страницы: 0.07 секунды