Всё о мобильной энергии, солнечных батарея, ветряках и другой электроники Обсуждение солнечных батарей, вертяков, генераторов и другой электроники
 
  Регистрация | Войти На главную Добавить статью Форум Поиск  RSS Наш твиттер Контакты 26 октября 2025, Воскресенье  
MobiPower.ru
 О сайте
 Новости
 солнце
 термоэлектричество
 механика
 аккумуляторы
 освещение
 электроника
 прочее (экзотика)
 новинки рынка
 Сделай сам
 Обзоры и тесты
 Библиотека
 Форум
 Ссылки
 Контакты

Новости на e-mail
Подписаться на e-mail рассылку новых статей сайта Mobipower.ru



Вампирчики...
...размножаются здесь:
Мобильный блок питания "Вампирчик-Цифра" v.7
Мобильный блок питания "Вампирчик-Цифра" v.7

3 200 руб.
Солнечная батарея Suaoki на полугибких элементах SunPower
Солнечная батарея Suaoki на "полугибких" элементах SunPower

3 500 руб.

Информация



Новое на форуме

Поднять напряжение на сборке
Автор: Александр
07.07.2025 в 14:58

аналоги Вампипчика
Автор: Гость
08.05.2025 в 01:05

Вопрос
Автор: Гость
29.04.2025 в 15:40

Сломался Вампирчик :-(
Автор: nik34
14.08.2024 в 16:24

Бобик сдох...
Автор: lg2375
04.05.2024 в 10:03

Ругаться сюда, однако ;))))
Автор: Гость
29.04.2024 в 03:55

проблемы при зарядке "пустого" вампирчика
Автор: nik34
03.08.2023 в 19:58

сгорел контроллер солнечной батареи
Автор: Гость
30.05.2023 в 23:15

Подскажите сварку.
Автор: Гость
28.05.2023 в 12:06

Разносол: конструкции от LeonidS
Автор: nik34
16.05.2023 в 19:27

Перейти на форум

Сейчас на сайте
160 человек

в т.ч. гостей: 160
пользователей: 0

Всего: 1251

Это может быть полезно


Поделиться этой страницей в:

   FAQFAQ   Поиск на форумеПоиск на форуме    ПользователиПользователи    ГруппыГруппы   ПрофильПрофиль   Личные сообщенияЛичные сообщения   ВходВход 

Альтернативная прошивка "вампирчика"
На страницу 1, 2, 3, 4, 5, 6, 7, 8, 9  След.
 
Начать новую тему   Ответить на тему    Список форумов -> Электроника
Автор Сообщение
nik34



Зарегистрирован:
Mar 23, 2008
Сообщения: 2823
Откуда: Москва

СообщениеДобавлено: Ср 09 Ноя, 2016 10:50    Заголовок сообщения: Альтернативная прошивка "вампирчика"
 Ответить с цитатой

Данная тема создана для того, чтобы написать другие прошивки контроллера вампирчика.
Ниже прицеплены последние варианты прошивок для Вампирчиков 5, 6 и 7 версий.
Более ранние можно глянуть под спойлером.

История изменений прошивки:показать

Цитата:
18 ноября:
1. Uin заменено на Ich
2. Разрешение во всех каналах сделано динамическим, т.е. с плавающей точкой:
0-999 (подразумеваемая точка перед первым разрядом, как mA, mV, mW...)
1.00-9.99
10.0-99.9
100.-999.
Не значащие нули в начале не отображаются.
http://alien.jabbercity.ru/v6/fw/20161118/vamp.hex


Цитата:
версия 001:
0. Разрешение во всех каналах теперь динамическое, с плавающей точкой. Подразумеваемая точка перед 1м разрядом не отображается.
1. входное напряжение USL -> Uin
2. ток понижайки (заряда) Uin -> Ich
3. выходная мощность Pou
3а. Добавлено и удалено отображение мощности заряда Pch = Ich*UAc
4. При включении после процентов отображается номер версии
5. Если примерно 2 минуты не трогать кнопки, дисплей переходит в сниженную яркость (экономия энергии)
6. "ночной" режим дисплея. Включается/выключается нажатием кнопки "вниз" при нажатой "вверх"
7. По нажатию верхней кнопки при нажатой нижней пока отображается версия прошивки. Потом, возможно, там будет подменю настроек.
8. исправлен баг с зацикливающимся переключением дисплея при частых нажатиях обеих кнопок.
http://alien.jabbercity.ru/v6/fw/20161122/vamp.hex


Цитата:
версия 002:
1. Переписана логика работы с кнопками, теперь есть (пока не используется) возможность анализировать долгие нажатия;
2. Пофикшен созданный в прошлой ревизии баг с некорректным отображением устанавливаемого напряжения в режиме ЗАР;
3. Пофикшено блымающее 2 раза за период отображения значение Pou.
http://alien.jabbercity.ru/v6/fw/20161123/vamp.hex


Цитата:
версия 003:
1. уменьшено время выключенного входа при измерении напряжения на заряжаемом аккумуляторе со 130 до 29 циклов измерения АЦП. При этом первые 13 циклов напряжение не измеряется.
2. изменён нижний порог установки напряжения заряда внешних аккумуляторов с 4000 до 1000 мВ.
http://alien.jabbercity.ru/v6/fw/20161125/vamp.hex


Цитата:
версия 004:
1. отображение версии перенесено в самое начало работы, уменьшено время показа. Новый стиль отображения.
2. Шаг изменения напряжения ЗАР 0.05В;
3. Изменён верхний порог зарядки аккумуляторов. Для никеля теперь 1.40В вместо 1.39В, для свинца 2.33 вместо 2.32;
4. Исправлен алгоритм округления при отображении значений;
5. Первая реализация ускоренной установки. (ВНИМАНИЕ!!! Требуется тестирование!)

http://alien.jabbercity.ru/v6/fw/20161205/vamp.hex

Писал без тестов на железе. Если кому не лень -- прошейте-погоняйте. Стабильной пока считаем версию №3.
Нижний порог установки напряжения пока оставлен как 1В.


Цитата:
версия 005:
1. Исправлена ускоренная установка. Теперь работает.
2. Добавлен ВКлючаемый таймер для режима зарядки. Откалиброван по моему экземпляру. После выбора напряжения зарядки после буквы t устанавливаем количество минут (0=отключен).
3. Добавлены программные калибровки всех каналов измерения. Отличия от среднего более 10% игнорируются. Для записи калибровок будет отдельная прошивка.
4. Код прошивки перепахан в плане оптимизации по размеру. В результате на флешке занято 4094 байта из 4096 доступных.
http://alien.jabbercity.ru/v6/fw/20161208/vamp.hex


Цитата:
Порядок калибровки:
1. При переключении каналов после имени канала выводится Cbr-calibration
2. Кнопка "вверх" включает калибровку данного канала (отображается AdJ-adjust, потом имя канала, который будем калибровать, далее измеряемая величина)
3. вверх -- увеличить значение, вниз -- уменьшить.
4. Если не трогаем кнопки, через несколько секунд видим вопрос, нужно ли сохранить St?-Set? и подсказку Y_^. Если ничего не нажали - продолжение настройки п.3
5. Пока светится Y_^ (читать, как для ответа Yes нажать ^вверх), Кнопка "^"вверх сохраняет значение (отображается SEt, данные сохраняются), кнопка "v"вниз отменяет настройки, и ничего не пишет (Abr-Abort)
6. Если в п.5 выбран вариант ответа (нажата кнопка) Возвращаемся из режима калибровки - п.1.

Сброс калибровки канала на значение по умолчанию:
2а. когда отображается Cbr при нажатии в п.2 кнопки "вниз" -- сохраняется калибровка по умолчанию dEf-default.
3a. Возвращаемся из режима калибровки - п.1.

http://alien.jabbercity.ru/v6/fw/20161209/vamp_calibrations5.hex


Цитата:
RomaST писал(а):
1) Ставим калибровальную прошивку
2) Калибруем каналы
3) Записываем на комп содержание eeprom
4) Ставим рабочую версию
5) Записываем сохраненный в пункте 3) eeprom на ВЦ

И получаем 5ую версию, с необходимыми калибровками.


Lex писал(а):
версия 006:
0. Педантичная оптимизация кода с частичной потерей производительности и читабельности
1. Добавлено меню настроек и калибровок. Для входа включать с зажатой верхней кнопкой.
2. Для сброса всех настроек и калибровок -- включать с нажатыми двумя кнопками.
3. По умолчанию в каналах измерения тока разрешение загрублено до 20 мА. В остальных не трогается, т.к. не ответили на вопрос.
4. Увеличена задержка перед измерением напряжения в режиме зарядки
5. Более честная индикация процентов в конце процесса зарядки
6. Выкинуты измерения АЦП в виртуальных каналах P, Pou, 3AP -- уменьшился период обновления значений
7. После вывода FUL через 3.5 минуты индикация переходит в "ночной режим" до нажатия любой кнопки.
8. Режим пониженной яркости индикатора теперь включается и выключается в настройках. Лично меня полная яркость слепит.
9. Шаг установки напряжения зарядки можно задать, но только вручную в файле .eep
10. Меню настроек, калибровок, сброса параметров можно теперь каждое по отдельности включать/выключать при сборке прошивки.

Меню настроек и меню калибровок:показать


Меню настроек и меню калибровок:
Включаем МК при зажатой верхней кнопке.
1) После номера версии видим SEt-settings, кнопку отпускаем.

Меню настроек:
2) Далее настройка 2х параметров с вариантом "да/нет". Наличие точек означает, что параметр ВКлючён.
- rES-resolution -- режим повышенного разрешения измерений. Для несогласных с п.3.
- LGH-light -- режим пониженной яркости из п.8.
Если нужно изменить параметр -- когда светится его имя зажимаем верхнюю кнопку, и держим, пока 3 точки индикатора не потухнут/загорятся. После этого отобразится Sud-saved -- новое значение параметра сохранено.

Меню калибровок:
3) Настройка калибровок каналов измерения: Отображается имя канала, потом значение калибровки.
- если не трогать кнопки -- после короткой задержки переход к следующему каналу
- если кнопка нажата -- значение увеличивается/уменьшается. Также увеличивается время задержки, чтобы дать возможность спокойно настроить параметр.
По умолчанию значение калибровочного коэффициента отобразится как 100. Следует читать как 1100. Этот коэффициент уже достаточно описан на форуме.
После установки параметра ждём перехода к калибровке следующего канала. Если значение изменено -- оно сохранится с отображением Svd. Далее переход к следующему каналу.

Работу настроечного меню в любой момент можно прервать, выключив питание (допустим, если изменили разрешение, и не хотим калибровать каналы). НЕ ВЫКЛЮЧАТЬ питание, если предстоит сохранение изменённого параметра.

Сброс к заводским настройкам:
1) Включаем МК с зажатыми двумя кнопками.
- в случае упрощённого-облегчённого варианта настройки затираются без предупреждения и индикации, после чего появляется меню настроек. До его появления питание НЕ ОТКЛЮЧАТЬ.
- в расширенном варианте есть защита от случайного сброса, т.н. Безопасный режим.
Начинается обратный отсчёт 999, 888, ... 000. Если во время отсчёта отпустить какую-либо из кнопок -- отсчёт прервётся и сброс не произойдёт.
Если продолжаем держать обе кнопки, отобразится ---, потом выполнится очистка EEPROM (питание НЕ ВЫКЛЮЧАТЬ), после очистки отобразится rSt-reset.
Если и после этого не отпустили верхнюю кнопку -- попадаем в меню настроек.


Безопасный сброс и меню калибровок одновременно в прошивку не помещаются. Потому две на выбор. Отличить можно по наличию меню калибровок.

Сборка с калибровками:
http://alien.jabbercity.ru/v6/fw/20161214/vamp_cal.hex
Сборка с безопасным сбросом:
http://alien.jabbercity.ru/v6/fw/20161214/vamp_secureset.hex

настройка шага изменения напряжения:показать


Самый простой способ, чтобы не вычислять смещения:
1. включаем свежепрошитую (или со сброшенными настройками) 6ку.
2. в меню настроек устанавливаем режим повышенного разрешения. Больше никаких настроек и калибровок не меняем.
3. сохраняем EEPROM в файл.
4. Там должны быть все 0xFF, кроме одного 0x00. Этот байт отвечает за флаг повышенного разрешения. Байт перед ним отвечает за шаг. Точнее содержит его значение в милливольтах. Записываем его туда в 16-ричном формате. Для 10мВ будет 0x0A.
5. исправляем контрольную сумму в конце строки, и пишем всё обратно в ВЦ.

Примечание: шаг=0 и шаг>200 считается некорректным, и принимается за 50 мВ.
4а. Величина смещения искомого байта = 22 = 0x16.


Цитата:
версия 007:
1. Работа с индикатором переведена на прерывания по таймеру. Теперь разряды не подмигивают.

Реализованные, но отключённые в данной сборке функции:
2. Отображение данных из встроенного в МК термодатчика;
3. усыпление МК через некоторое время при неактивности пользователя (если не трогает кнопки);
4. временно выкинул из настроек включение режима пониженной яркости;

http://alien.jabbercity.ru/v6/fw/20170613/vamp.hex


Цитата:
Инструкция по прошивке и история разработки от Алексея LaleksUi (за что ему большое спасибо. Smile )
Инструкция Пользователю
История Разработки





vc7_n31.zip
 Описание:
Последняя версия прошивки для ВЦ7

Скачать
 Имя файла:  vc7_n31.zip
 Размер:  15.46 KB
 Скачали:  6128 раз(а)


vamp_v6_n7.zip
 Описание:
Последняя версия прошивки для ВЦ6

Скачать
 Имя файла:  vamp_v6_n7.zip
 Размер:  4.85 KB
 Скачали:  6424 раз(а)


AVR Projects.rar
 Описание:
Исходный проект, который заливался в ВЦ5. Можно не скачивать, он уже сильно устарел.

Скачать
 Имя файла:  AVR Projects.rar
 Размер:  260.85 KB
 Скачали:  7866 раз(а)



Последний раз редактировалось: nik34 (Сб 02 Июн, 2018 12:24), всего редактировалось 11 раз(а)
Вернуться к началу
Посмотреть профиль Отправить личное сообщение Посетить сайт автора
Lex
Гость






СообщениеДобавлено: Пт 11 Ноя, 2016 17:13    Заголовок сообщения:
 Ответить с цитатой

Вы предвосхитили мой вопрос. Уже несколько дней вынашиваю идею попросить исходники, да посмотреть, что там.
Опять же, было бы интересно и удобно самому свои хотелки реализовывать.

С контроллерами дел пока не имел, так что для начала вопросы:
1. Как они тестируются? В эмуляторе сначала, или сразу в железку лить нужно?
2. Что из себя должен представлять программатор? Т.е. какие ещё устройства требуются кроме ВЦ и компьютера.
3. Есть ли возможность "брикнуть" девайс при ошибках в программе?
3.1. электрически что-то спалить
3.2. ввести контроллер в "непрограммируемое" состояние

P.S. немного побаловался с digispark attiny85. Довольно любопытная штучка, и шьётся прямо через пины тиньки, эмулируя на них USB интерфейс.
Вернуться к началу
nik34



Зарегистрирован:
Mar 23, 2008
Сообщения: 2823
Откуда: Москва

СообщениеДобавлено: Сб 12 Ноя, 2016 14:46    Заголовок сообщения:
 Ответить с цитатой

Lex писал(а):
Опять же, было бы интересно и удобно самому свои хотелки реализовывать.

Сколько угодно. Заодно, и с другими поделиться. Wink

Цитата:
1. Как они тестируются? В эмуляторе сначала, или сразу в железку лить нужно?

По контроллерам не спец.
Я, когда что-то пытался делать, то цифровую плату сначала моделировал в редакторе, где писал. Для ВЦ когда пытался писать сбрасывал прямо в него. Но нынешнюю прошивку писал не я, так что, даже не знаю, что там внутри. Подсказать по ней больше не смогу.

Цитата:
2. Что из себя должен представлять программатор? Т.е. какие ещё устройства требуются кроме ВЦ и компьютера.

Вампирчики сейчас прошиваю через программатор AvrICP MKII, но вообще, подойдет любой, который может подключаться к плате через разъем на 6 ножек.
Для прошивки нужен компьютер, программатор, ВЦ, и какой-нибудь источник питания, чтобы подать напряжение на контроллер (обычно на 5В).
По программированию лучше почитайте в других местах, где больше информации по этому вопросу, ВЦ никаких дополнительных особенностей в этом не имеет.

Цитата:
3. Есть ли возможность "брикнуть" девайс при ошибках в программе?
В смысле, испортить? Нет. Всегда можете вернуть обратно старую прошивку.
Ну, может быть только, если не ошибаюсь, в некоторых контроллерах есть защита от копирования и после ее установки перепрошить можно только через параллельный интерфейс, т.е. в данном случае, выпаивание МК. Но, реально Вы с этим вряд ли столкнетесь, а если заливать только программу, то и никогда.
Пусть знающие меня поправят.

Цитата:
3.1. электрически что-то спалить

Нет.

Цитата:
3.2. ввести контроллер в "непрограммируемое" состояние

Описал выше.
Вернуться к началу
Посмотреть профиль Отправить личное сообщение Посетить сайт автора
nik34



Зарегистрирован:
Mar 23, 2008
Сообщения: 2823
Откуда: Москва

СообщениеДобавлено: Пн 14 Ноя, 2016 10:52    Заголовок сообщения:
 Ответить с цитатой

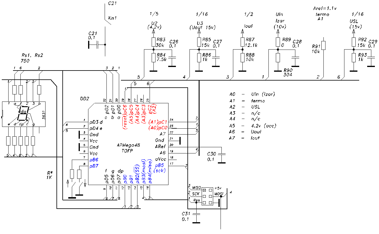
Прицепил схему подключения контроллера, делителей АЦП.
МК только измеряет напряжение в заданном канале, кроме случая работы в режиме ЗАР (зарядника). В этом случае он дополнительно подает сигнал остановки работы (единица) на ножку 15 (pb3, mosi).
По каналу termo просто подается плюс питания, если будет низкий уровень, то МК подаст сигнал отключения на ножку 15, решив, что сработал термодатчик. (этот кусок в программе можно удалить, не нужен, т.к. сейчас термозащита контроллер не использует.)



mk.gif
 Описание:
Cхема подключения контроллера, делителей АЦП
 Размер:  24.64 KB
 Просмотров:  3941 раз(а)

mk.gif


Вернуться к началу
Посмотреть профиль Отправить личное сообщение Посетить сайт автора
Lex
Гость






СообщениеДобавлено: Пт 18 Ноя, 2016 10:01    Заголовок сообщения:
 Ответить с цитатой

На данный момент реализовано:

- Uin заменено на Ich

- Разрешение во всех каналах сделано динамическим, т.е. с плавающей точкой:
0-999 (подразумеваемая точка перед первым разрядом, как mA, mV, mW...)
1.00-9.99
10.0-99.9
100.-999.
Не значащие нули в начале не отображаются.

Есть идея вычислять мощность входную/выходную/ещёкакую, принимаются пожелания.
Если по выходу всё очевидно, I*U то для входной для меня пока остаётся загадкой, что на что нужно перемножить, чтобы было юзабельно.
Например Uac*Ich (Uac*Uin) даст мощность, текущую в аккумуляторы, но только при отсутствии дополнительной нагрузки (USB2) у понижайки.

http://alien.jabbercity.ru/v6/fw/20161118/vamp.hex
Вернуться к началу
nik34



Зарегистрирован:
Mar 23, 2008
Сообщения: 2823
Откуда: Москва

СообщениеДобавлено: Пт 18 Ноя, 2016 11:25    Заголовок сообщения:
 Ответить с цитатой

Lex писал(а):
Есть идея вычислять мощность входную/выходную/ещёкакую, принимаются пожелания.
Если по выходу всё очевидно, I*U то для входной для меня пока остаётся загадкой, что на что нужно перемножить, чтобы было юзабельно.
Например Uac*Ich (Uac*Uin) даст мощность, текущую в аккумуляторы, но только при отсутствии дополнительной нагрузки (USB2) у понижайки.

Входную мощность можно определить только косвенно, перемножив Iin на 5В и на 1.2 (как учет КПД импульсной части и выпрямителя). Но точность будет маленькая, т.к. ток меряется грубо и не калибруется (только если каждый для себя будет подгонять резисторы).

Можно программно скорректировать погрешность измерения тока выхода - там после примерно 1.5А ВЦ начинает завышать показания.
Вернуться к началу
Посмотреть профиль Отправить личное сообщение Посетить сайт автора
Lex
Гость






СообщениеДобавлено: Пт 18 Ноя, 2016 17:48    Заголовок сообщения:
 Ответить с цитатой

nik34 писал(а):

Входную мощность можно определить только косвенно, перемножив Iin на 5В (в режиме стабилизатора) или Iin*(Uac+0.45В) (в режиме зарядника) и на 1.2 (как учет КПД импульсной части и выпрямителя). Но точность будет маленькая, т.к. ток меряется грубо и не калибруется (только если каждый для себя будет подгонять резисторы).
Так что, больше мороки здесь будет.


Думаю, в реальной ситуации более важен именно "практический выхлоп", т.е. сколько энергии зальётся в аккумулятор, или сколько оттуда вытечет...

Дополнительных каналов измерения не появилось относительно ВЦ5? Может что-то ещё можно почитать, навроде термодатчика или датчиков тока...

В ветке про критику задавал уже этот вопрос. На плате нечто, выглядящее как шунт. Какую функцию оно выполняет?

nik34 писал(а):
Можно программно скорректировать погрешность измерения тока выхода - там после примерно 1.5А ВЦ начинает завышать показания.


Если завышение имеет высокую повторяемость на разных экземплярах и в разных условиях -- можно попробовать табличку пересчёта добавить. Завышает по причине нагрева шунта?)
Вернуться к началу
Lex
Гость






СообщениеДобавлено: Пт 18 Ноя, 2016 18:00    Заголовок сообщения:
 Ответить с цитатой

В описании контроллера упоминаются часы реального времени. Кварца на плате я не заметил. Это значит, что с часами работать не получится? Полезо было бы иметь информацию о времени для подсчёта заряда/энергии.
Вернуться к началу
nik34



Зарегистрирован:
Mar 23, 2008
Сообщения: 2823
Откуда: Москва

СообщениеДобавлено: Вс 20 Ноя, 2016 16:43    Заголовок сообщения:
 Ответить с цитатой

Lex писал(а):
В описании контроллера упоминаются часы реального времени. Кварца на плате я не заметил. Это значит, что с часами работать не получится? Полезо было бы иметь информацию о времени для подсчёта заряда/энергии.

Кварца нет, используется внутренний RC-генератор контроллера, а он довольно грубый. Так что, с часами - пролет.
Вернуться к началу
Посмотреть профиль Отправить личное сообщение Посетить сайт автора
Lex
Гость






СообщениеДобавлено: Вс 20 Ноя, 2016 22:23    Заголовок сообщения:
 Ответить с цитатой

Точно ли в текущей прошивке работает чтение и анализ температуры? Я вот чтения входа А1 не наблюдаю в коде.

Заметил особенность: При чтении АЦП сначала делаются всегда 4 "холостых" чтения результат которых никак не используется, потом уже чтение для измерений. Для чего холостые?
То ли вывод на некий установившийся режим после чего-то... В сети подобных прецедентов не нашёл, во всех примерах просто сразу читают значение.
Вернуться к началу
nik34



Зарегистрирован:
Mar 23, 2008
Сообщения: 2823
Откуда: Москва

СообщениеДобавлено: Вс 20 Ноя, 2016 23:00    Заголовок сообщения:
 Ответить с цитатой

Lex писал(а):
Точно ли в текущей прошивке работает чтение и анализ температуры? Я вот чтения входа А1 не наблюдаю в коде.

Там, вроде, только пороговый уровень отслеживается. Но, честно, не помню - этот рудимент давно не используется.

Цитата:
Заметил особенность: При чтении АЦП сначала делаются всегда 4 "холостых" чтения результат которых никак не используется, потом уже чтение для измерений. Для чего холостые?
То ли вывод на некий установившийся режим после чего-то... В сети подобных прецедентов не нашёл, во всех примерах просто сразу читают значение.

Тоже, вопрос к Александру, разработчику. Надеюсь, он здесь появится и ответит. Я не знаю.
Вернуться к началу
Посмотреть профиль Отправить личное сообщение Посетить сайт автора
Lex
Гость






СообщениеДобавлено: Вт 22 Ноя, 2016 18:18    Заголовок сообщения:
 Ответить с цитатой

Очередная версия прошивки:
версия 001:
0. Разрешение во всех каналах теперь динамическое, с плавающей точкой. Подразумеваемая точка перед 1м разрядом не отображается.
1. входное напряжение USL -> Uin
2. ток понижайки (заряда) Uin -> Ich
3. выходная мощность Pou
3а. Добавлено и удалено отображение мощности заряда Pch = Ich*UAc
4. При включении после процентов отображается номер версии
5. Если примерно 2 минуты не трогать кнопки, дисплей переходит в сниженную яркость (экономия энергии)
6. "ночной" режим дисплея. Включается/выключается нажатием кнопки "вниз" при нажатой "вверх"
7. По нажатию верхней кнопки при нажатой нижней пока отображается версия прошивки. Потом, возможно, там будет подменю настроек.
8. исправлен баг с зацикливающимся переключением дисплея при частых нажатиях обеих кнопок.

http://alien.jabbercity.ru/v6/fw/20161122/vamp.hex
Вернуться к началу
Dmitriy_avia



Зарегистрирован:
Apr 22, 2016
Сообщения: 50


СообщениеДобавлено: Вт 22 Ноя, 2016 20:51    Заголовок сообщения:
 Ответить с цитатой

Lexx, а вы расскажите для чайников, как самостоятельно поменять прошивку? И что для этого нужно, а то у меня только комп и сам вамп.))
Вернуться к началу
Посмотреть профиль Отправить личное сообщение
nik34



Зарегистрирован:
Mar 23, 2008
Сообщения: 2823
Откуда: Москва

СообщениеДобавлено: Вт 22 Ноя, 2016 21:55    Заголовок сообщения:
 Ответить с цитатой

Lex писал(а):
Очередная версия прошивки: версия 001:

Спасибо. Smile
Проверю, обязательно отпишусь по результатам.
Вернуться к началу
Посмотреть профиль Отправить личное сообщение Посетить сайт автора
Lex
Гость






СообщениеДобавлено: Вт 22 Ноя, 2016 22:14    Заголовок сообщения:
 Ответить с цитатой

В качестве информации к размышлению:
- Максимальное измеряемое напряжение в 17.6В при максимальном заявленном пороге в 25В как-то не серьёзно. Не критично ли изменится погрешность, если делитель будет, скажем, 23?
- Измерение для Ich опять же имеет делитель 16. 17.5А при максимуме в 3 -- как-то многовато...
- А встроенный клокгенератор насколько сильно плавает от внешних факторов? Если его откалибровать -- для примерных измерений времени не сойдёт?
- Подключённый датчик освещённости может позволить изменять яркость индикатора в зависимости от окружающего освещения.
- термометр позволит контролировать и выводить температуру внутри корпуса
- а что если и кнопку включения на ногу МК повесить? Или могут быть проблемы с ложными включениями при инициализации контроллера?
Вернуться к началу
Lex
Гость






СообщениеДобавлено: Вт 22 Ноя, 2016 22:21    Заголовок сообщения:
 Ответить с цитатой

Dmitriy_avia писал(а):
Lexx, а вы расскажите для чайников, как самостоятельно поменять прошивку? И что для этого нужно, а то у меня только комп и сам вамп.))

Я сам пока знакомлюсь с контроллерами. По рекомендациям из интернетов спаял себе программатор "пять проводков" для LPT порта, и шью из linux утилитой avrdude. Да, и в ней конфиг ещё править пришлось, чтобы заработала с данной ревизией контроллера. На пальцах и для чайника объяснить не смогу.
Вернуться к началу
Гость







СообщениеДобавлено: Ср 23 Ноя, 2016 9:47    Заголовок сообщения:
 Ответить с цитатой

Lexx, сможете исправить глюк режима ЗАР?
И расширить его возможности?
Вернуться к началу
nik34



Зарегистрирован:
Mar 23, 2008
Сообщения: 2823
Откуда: Москва

СообщениеДобавлено: Ср 23 Ноя, 2016 9:51    Заголовок сообщения:
 Ответить с цитатой

Lex писал(а):
В качестве информации к размышлению:
- Максимальное измеряемое напряжение в 17.6В при максимальном заявленном пороге в 25В как-то не серьёзно. Не критично ли изменится погрешность, если делитель будет, скажем, 23?

Да, для канала Usl (измерения напряжения зарядки) коэффициент делителя логично будет поменять, т.к. там не нужна большая точность. (нужно перепаять резистор 15к на 22к в делителе перед АЦП МК)

Цитата:
- Измерение для Ich опять же имеет делитель 16. 17.5А при максимуме в 3 -- как-то многовато...

Величина напряжения, которая сейчас подается была подобрана такой, чтобы можно было использовать старую прошивку. Да, можно изменит номинал резистора, чтобы обеспечить большее разрешение в канале. Но, поскольку там точность самого измерителя никакая, то и гнаться за точностью при измерении смысла нет.
А, вообще. там нет делителя, просто резистор на который подается ток от измерителя тока.

Цитата:
- А встроенный клокгенератор насколько сильно плавает от внешних факторов? Если его откалибровать -- для примерных измерений времени не сойдёт?

Десяток процентов, думаю. В разовом варианте, конечно, можно откалибровать, но в серии смысла не вижу, т.к. могут ставиться МК из разных партий, со своими разбросами.

Цитата:
- Подключённый датчик освещённости может позволить изменять яркость индикатора в зависимости от окружающего освещения.

А надо? Максимальную яркость задаем резисторами и программно можем только уменьшать, а она и сейчас не слишком большая.

Цитата:
- термометр позволит контролировать и выводить температуру внутри корпуса

Она будет равна уличной, только когда ВЦ не включен, во все остальное время будет непонятная циферка теплого корпуса.
Здесь смысл может быть только если МК будет при сильном нагреве прерывать работу выходного преобразователя, чтобы снизить среднюю мощность и нагрев. Но такой вариант во-первых, должен быть отключаемым - вдруг, какому-то гаджету не понравится такой режим, а, во-вторых, МК должен быть неотключаемым.

Цитата:
- а что если и кнопку включения на ногу МК повесить? Или могут быть проблемы с ложными включениями при инициализации контроллера?

Тоже возможно. Как это сделано у всех "китайцев".
Но я как-то опасаюсь полностью завязывать работоспособность "железа" на программу - программные сбои наблюдаются гораздо чаще, чем отказы электроники.
Но МК можно поручить некритичные вещи, например, фонарик, автовыключение при малом токе, внешний индикатор уровня, токовый индикатор и т.п. (теоретически, если пофантазировать, то можно заложить еще один МК для сервисных функций, а также под реализацию истинного МРРТ)
Но все это возможно в другой версии платы, с измененной разводкой. Сейчас в 6й версии в Вашем распоряжении остались только две свободные ноги на МК, к которым можно подпаяться и как-то задействовать.
Вернуться к началу
Посмотреть профиль Отправить личное сообщение Посетить сайт автора
Lex




Зарегистрирован:
Nov 23, 2016
Сообщения: 337
Откуда: 61

СообщениеДобавлено: Ср 23 Ноя, 2016 11:31    Заголовок сообщения:
 Ответить с цитатой

Anonymous писал(а):
Lexx, сможете исправить глюк режима ЗАР?
И расширить его возможности?

Как его воспроизвести? Просто я этим режимом не пользуюсь.

До пятницы надеюсь отправить свой экземпляр автору на ремонт/переделку. Ибо горелый и не юзабелен.

Хм... смотрю, сейчас уже прошивка получается 3986 байт. Это 97,3% от 4096-байтной флешки контроллера. Придётся аппетиты умерить немного на всякие дополнительные фичи, и аккуратнее писать. Хотя и так уже полпрограммы заново переписал с оптимизацией. Видать, предыдущий автор прошивки на сишнике для большого компа писал немного.
С такими хотелками скоро на мегу88 переезжать придётся))) Кстати, она сильно дороже?
Вернуться к началу
Посмотреть профиль Отправить личное сообщение
Гость







СообщениеДобавлено: Ср 23 Ноя, 2016 12:55    Заголовок сообщения:
 Ответить с цитатой

Lex писал(а):
Anonymous писал(а):
Lexx, сможете исправить глюк режима ЗАР?
И расширить его возможности?

Как его воспроизвести? Просто я этим режимом не пользуюсь.

До пятницы надеюсь отправить свой экземпляр автору на ремонт/переделку. Ибо горелый и не юзабелен.

Хм... смотрю, сейчас уже прошивка получается 3986 байт. Это 97,3% от 4096-байтной флешки контроллера. Придётся аппетиты умерить немного на всякие дополнительные фичи, и аккуратнее писать. Хотя и так уже полпрограммы заново переписал с оптимизацией. Видать, предыдущий автор прошивки на сишнике для большого компа писал немного.
С такими хотелками скоро на мегу88 переезжать придётся))) Кстати, она сильно дороже?


Что происходит во время глюка и как это программно исправить, Николай, надеюсь, подробнее обяснит.
По сути, режим ЗАР отключает питание зарядки внешних аккумуляторов по достижении определенного напряжения на этих аккумуляторах. Было бы достаточно оставить в этом режиме только одну вункци: это возможность выбора напряжения отключения от 1.00В до 16.00В, с шагом выбора 0.01В.
А если добавить таймер, для полноценной зарядки NiMH, то это была бы мечта.
Вернуться к началу
Lex




Зарегистрирован:
Nov 23, 2016
Сообщения: 337
Откуда: 61

СообщениеДобавлено: Ср 23 Ноя, 2016 15:00    Заголовок сообщения:
 Ответить с цитатой

Anonymous писал(а):
По сути, режим ЗАР отключает питание зарядки внешних аккумуляторов по достижении определенного напряжения на этих аккумуляторах. Было бы достаточно оставить в этом режиме только одну вункци: это возможность выбора напряжения отключения от 1.00В до 16.00В, с шагом выбора 0.01В.

Могу пока вообще выкинуть отключение питания при проверке напряжения. Будет выключаться по достижении установленного порога на выходе ВКЛЮЧЁННОЙ повышайки. Устроит?

Anonymous писал(а):
А если добавить таймер, для полноценной зарядки NiMH, то это была бы мечта.

Сам хочу таймер -- мне актуально в походных условиях никель заряжать.

nik34 писал(а):
Lex писал(а):
- А встроенный клокгенератор насколько сильно плавает от внешних факторов? Если его откалибровать -- для примерных измерений времени не сойдёт?

Десяток процентов, думаю. В разовом варианте, конечно, можно откалибровать, но в серии смысла не вижу, т.к. могут ставиться МК из разных партий, со своими разбросами.

Мой вопрос был не понят. Я имел в виду нестабильность в рамках одного экземпляра. Если каджый пользователь откалибрует свой прибор через меню, насколько потом частота может гулять?

----------------------

Обновление прошивки:
Ver 002
1. Переписана логика работы с кнопками, теперь есть (пока не используется) возможность анализировать долгие нажатия;
2. Пофикшен созданный в прошлой ревизии баг с некорректным отображением устанавливаемого напряжения в режиме ЗАР;
3. Пофикшен блымающее 2 раза за период отображения значение Pou.

http://alien.jabbercity.ru/v6/fw/20161123/vamp.hex
Вернуться к началу
Посмотреть профиль Отправить личное сообщение
Показать сообщения:   
Форум об электронике, зарядке аккумуляторов, солнечных батареях, вопросы по теме "сделай сам".
Начать новую тему   Ответить на тему    Список форумов -> Электроника Часовой пояс: GMT + 3
На страницу 1, 2, 3, 4, 5, 6, 7, 8, 9  След.
Страница 1 из 9

 
Перейти:  
Вы можете начинать темы
Вы можете отвечать на сообщения
Вы не можете редактировать свои сообщения
Вы не можете удалять свои сообщения
Вы не можете голосовать в опросах
Вы не можете прилагать файлы к сообщениям
Вы можете скачивать файлы


Форум Mobipower.ru - о солнечных батареях, аккумуляторах, зарядных устройствах, самоделках
 

Загрузка страницы: 0.07 секунды